气动对夹式软密封蝶阀-D671X
- 销售:
- 销售:
- 传真:
详情介绍
- 产品介绍
- 服务承诺
- 订货流程
D671X气动对夹式软密封蝶阀采用双偏心结构,具有越关越紧的密封功能,密封性能可靠。密封副材料选用不锈钢和丁腈耐油橡胶配对,使用寿命长。橡胶密封圈即可位于阀体上,也可以位于蝶板上,可适用不同特点的介质,供用户选择。蝶板采用框架结构,强度高,过流面积大,流阻小。整体烤漆、能有效地防止锈蚀且只要更换密封阀座密封材料,就可使用于不同介质。D671X气动对夹式蝶阀具有双向密封功能,安装时不受介质流向的控制,也不受空间位置的影响,可在任何方向安装。本阀结构独特,操作灵活,省力,方便。
气动对夹式软密封蝶阀 结构特点
D671X气动对夹式蝶阀采用对夹板式结构,主要由阀体,阀板,阀轴,阀座及传动装置组成,结构简单紧凑,小巧轻便,运输,安装,拆卸方便;90的启闭,开关迅速,操作扭矩小,省力轻巧;密封性能好,使用寿命长,可达到零泄露;其流量特性近似于直线,调节性能好。阀门为橡胶密封,关闭时蝶板和阀座密封性能良好,双向密封性能优良,扭矩值小,阀门在工作压力下保持,且蝶板与阀座密封之间的磨擦小。D671X气动对夹式蝶阀由阀轴驱动阀板,阀板做90°转动。蝶板启闭灵活,无卡涩、跳动现象,扭矩小。
气动对夹式软密封蝶阀 产品用途
软密封中线对夹式蝶阀,双偏心法兰式蝶阀结构紧凑,90°回转开关轻松,密封可靠,使用寿命长,D671X气动对夹式蝶阀广泛用于水厂、电厂、钢厂、造纸、化工、轻纺、食品等给排水、气体管道上作调节流量和截流介质的作用。
气动对夹式软密封蝶阀 执行机构
D671X气动对夹式蝶阀采用新型系列GT型气动执行器,有双作用式和单作用式(弹簧复位),齿轮传动,安全可靠;大口径阀门采用系列AW型气动执行器拔叉式传动,结构合理,输出扭矩大。
1、切断型附件:单电控电磁阀、双电控电磁阀、限位开关回讯器
2、调节型附件:电气定位器、气动定位器、电气转换器
3、气源处理附件:空气过滤调压阀、气源处理三联件
4.采用电-气阀门定位器,以电信号和压缩空气为动力,接受控制系统输入的0-10mA DC或4-20mA DC电流信号,由调节器将压缩空气,转换成气源压力信号输入输出,改变阀板的旋转角度(0-90°任意角度),具有较好的调节控制流量等参数
5、采用电磁换向阀、阀位回讯器,以AC220V或DC24V电源电压和压缩空气作动力,实现对流体介质的快速二位切断控制。气动执行机构采用活塞式气缸及曲臂转换结构,输出力矩大,体积精小,采用全密封防水设计防护等级高
6、气缸体采用镜面气缸,无油润滑,磨擦系数小、耐腐蚀、具有的耐用性及可靠性。所有传动轴承均采用边界自润滑轴承无油润滑,确保传动轴不摩损
气动对夹式软密封蝶阀 零件材料
零件名称 | 材料 |
阀体 | 灰铸铁、球墨铸铁、铸钢、不锈钢及特殊材料 |
蝶板 | 球墨铸铁、铸钢、不锈钢及合金钢 |
阀轴 | 2Cr13、不锈钢 |
密封圈 | 丁腈耐油橡胶、聚四氟乙烯 |
填料 | O型圈、柔性石墨 |

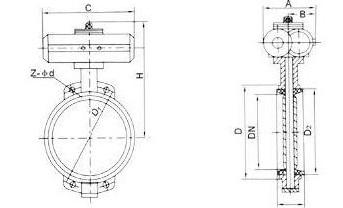
气动对夹式软密封蝶阀 外形尺寸
公称通径DN(mm) | 结构长度(mm) | 外形尺寸(mm) | 连接尺寸(标准值) | |||||||||
0.6MPa | 1.0MPa | 1.6MPa | ||||||||||
毫米 | 英寸 | L | H1 | H0 | A | B | D0 | n-d | D0 | n-d | D0 | n-d |
50 | 2" | 43 | 63 | 315 | 180 | 65 | 110 | 4-14 | 125 | 4-18 | 125 | 4-18 |
65 | 2 1/2" | 46 | 70 | 330 | 180 | 65 | 130 | 4-14 | 145 | 4-18 | 145 | 4-18 |
80 | 3" | 46 | 83 | 390 | 245 | 72 | 150 | 4-18 | 160 | 8-18 | 160 | 8-18 |
100 | 4" | 52 | 105 | 431 | 240 | 72 | 170 | 4-18 | 180 | 8-18 | 180 | 8-18 |
125 | 5" | 56 | 115 | 455 | 240 | 72 | 200 | 8-18 | 210 | 8-18 | 210 | 8-18 |
150 | 6" | 56 | 137 | 626 | 350 | 93 | 225 | 8-18 | 240 | 8-22 | 240 | 8-22 |
200 | 8" | 60 | 164 | 720 | 350 | 93 | 280 | 8-18 | 295 | 8-22 | 295 | 12-22 |
250 | 10 | 68 | 206 | 800 | 550 | 350 | 335 | 12-18 | 350 | 12-22 | 355 | 12-26 |
300 | 12 | 78 | 230 | 860 | 600 | 350 | 395 | 12-22 | 400 | 12-22 | 410 | 12-26 |
350 | 14 | 78 | 248 | 883 | 600 | 350 | 445 | 12-22 | 460 | 16-22 | 470 | 16-26 |
400 | 16 | 102 | 89 | 972 | 600 | 350 | 495 | 16-22 | 515 | 16-26 | 525 | 16-30 |
450 | 18 | 114 | 320 | 1043 | 750 | 380 | 550 | 16-22 | 565 | 20-26 | 585 | 20-30 |
500 | 20 | 127 | 343 | 1098 | 750 | 380 | 600 | 20-22 | 620 | 20-26 | 650 | 20-33 |
600 | 24 | 154 | 413 | 1236 | 750 | 380 | 705 | 20-26 | 725 | 20-30 | 770 | 20-36 |
700 | 28 | 165 | 478 | 1431 | 750 | 380 | 810 | 24-26 | 840 | 24-30 | 840 | 24-36 |
800 | 32 | 190 | 25 | 1488 | 750 | 380 | 920 | 24-30 | 950 | 24-33 | 950 | 24-39 |
900 | 36 | 203 | 620 | 1615 | 1250 | 380 | 1020 | 24-30 | 1050 | 28-33 | 1050 | 28-39 |
1000 | 40 | 216 | 725 | 1795 | 1500 | 580 | 1120 | 28-30 | 1160 | 28-36 | 1170 | 28-42 |
1200 | 48 | 254 | 780 | 1976 | 1500 | 580 | 1340 | 32-33 | 1380 | 32-39 | 1390 | 32-48 |
良好的品质、优良的服务 开云体育(中国)开云KaiYun SPORTS为你创造更多价值!
“开云体育(中国)开云KaiYun SPORTS”的期望,不断提升服务质量,精益求精,“真诚的服务”是“开云体育(中国)开云KaiYun SPORTS”永恒的主题。“开云体育(中国)开云KaiYun SPORTS”严格按照IS09001-2000 质量体系认证要求,质量严格把关, 责任到人,确保生产、销售、服务的健康运行。加强与用户沟通,竭诚为广大客户提供优良产品,至善至美服务。特此我厂做出以下承诺:
产品标准:
产品严格按照中国GB、HG 标准和美国API等标准设计、制造、验收。密封面硬度达到国家规定要求,宽度超过国家标准。
售前服务:
产品介绍,技术交流,非标产品设计,疑难解答。
售中服务:
守信合同,保证及时供货,随时保持与客户联系。 对特殊或复制的产品,我厂安排技术人员对用户进行产品使用、故障排除
售后服务:
1、“开云体育(中国)开云KaiYun SPORTS”牌产品品质期为自出厂起12个月,实行“三包”服务(包退、包换、保修)。
2、产品在使用中我厂定期组织技术、质检人员进行访问,征询用户对产品质量、 使用状况、改进意见等方面的反馈, 以便进一步提高产品质量。
3、对用户投诉质量问题,快速作出反应,售后服务人员在24-36小时(省外48小时)赶赴现场。
4、对售后服务,要求用户填写服务后的质量反馈信息表,并作出鉴定意见,以便提高开云体育(中国)开云KaiYun SPORTS的服务质量。
1、客户如对产品有特殊要求,须在订货合同中提供以下说明:
a、结构长度;
b、连接形式;
c、公称直径、全通径、缩径、管道尺寸;
d、运行介质及温度、压力范围;
e、试验、检验标准及其他要求
2、本厂可根据客户特定要求配置各类驱动装置。
3、如由客户提供确定的阀门类型和型号时,客户应正确说明其型号的含义和要求,在供需双方理解一致的条件下签订合同。
4、期货、订货的客户请先来电函详细告诉所需的阀门型号、规格、数量以及交货时间、地点,并按总的30%预定金或全额货款及时汇入我厂帐户,其余货款待发货前汇入,以便及时安排发货。
订单流程:
1、客户采购清单传真至,或来电咨询
2、收到客户采购清单,为客户提供阀门型号选型与报价(价格清单)。
3、具体商定:交货期、特殊要求等事宜。
订货须知:
1、客户如对产品有特殊要求,须在订货合同中提供以下说明:
|
|||||
|
|||||
2、本厂可根据客户特定要求配置各类驱动装置。
|
|||||
3、如由客户提供确定的阀门类型和型号时,客户应正确说明其型号的含义和要求,在供需双方理解一致的条件下签订合同。
|
|||||
4、期货、订货的客户请先来电函详细告诉所需的阀门型号、规格、数量以及交货时间、地点,并按总的30%预定金或全额货款及时汇入我厂账户, 其余货款待发货前汇入,以便及时安排发货。
|
售中服务:
守信合同,保证及时供货,随时保持与客户联系。
对特殊或复制的产品,我厂安排技术人员对用户进行产品使用、故障排除
售后服务:
1、“开云体育(中国)开云KaiYun SPORTS”产品品质期为自出厂起12个月,实行“三包”服务(包退、包换、保修)。
2、产品在使用中我厂定期组织技术、质检人员进行访问,征询用户对产品质量、使用状况、改进意见等方面的反馈,
以便进一步提高产品质量。
3、对用户投诉质量问题,快速作出反应,售后服务人员在24-36小时(省外48小时)赶赴现场。
4、对售后服务,要求用户填写服务后的质量反馈信息表,并作出鉴定意见,以便提高“开云体育(中国)开云KaiYun SPORTS”的服务质量。
声明 |
|