AVAX自动排气阀
- 销售:
- 销售:
- 传真:
详情介绍
- 产品介绍
- 服务承诺
- 订货流程
AVAX自动排气阀在一般情况下,水中约含2VOL%的溶解空气,在输水过程中,这些空气由水中不断释放出来,聚集在管线的高点处,形成空气袋(AIR POCKET),使输水变得困难,系统输水能力可因此下降约5-15%。此微量排气阀主要功能就是排除这2VOL%的溶解空气,并适合装置于高层建筑,厂区内配管,小型泵站用以保护或改善系统的输水效率及节约能源。
单杆式(SIMPLE LEVER TYPE)微量排气阀,为一类似椭圆形阀体,内部所有零件包括浮球,杠杆、阀座等均为304不锈钢,内部使用标准排气孔径1/6",适合用于PN16工作压力环境。介质温度:0-80℃。
AVAX型自动排气阀主要应用于暖通空调系统,往往安装在制高点或弯头等处,以排除管道中多余气体、提高管路使用效率及降低能耗。介质温度:0-80℃。
自动排气阀 主要技术参数
公称压力:1.0~1.6MPa
公称通径:10~25mm
适用介质:水、油等非腐蚀性液体
适用温度:0~100℃
试验标准:GB/T 13927 API598
自动排气阀 主要零件材料
ARVX微量排气阀 | ||||
名称 | 阀盖、阀体 | 浮球 | 杠杆、杠杆架 | 塞头 |
材质 | 球墨铸铁 | 304不锈钢 | 304不锈钢 | 合成橡胶BUNA-NVITOL |
AVAX自动排气阀 | 全铜 | |||

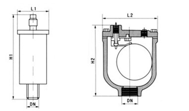
自动排气阀 主要外形尺寸
DN | 10(3/8") | 15(1/2") | 20(3/4") | 25(1") |
L1 | 47 | 47 | 47 | 47 |
H1 | 113 | 113 | 113 | 113 |
L2 | 102 | 102 | 102 | 102 |
H2 | 127 | 127 | 127 | 127 |
良好的品质、优良的服务 开云体育(中国)开云KaiYun SPORTS为你创造更多价值!
“开云体育(中国)开云KaiYun SPORTS”的期望,不断提升服务质量,精益求精,“真诚的服务”是“开云体育(中国)开云KaiYun SPORTS”永恒的主题。“开云体育(中国)开云KaiYun SPORTS”严格按照IS09001-2000 质量体系认证要求,质量严格把关, 责任到人,确保生产、销售、服务的健康运行。加强与用户沟通,竭诚为广大客户提供优良产品,至善至美服务。特此我厂做出以下承诺:
产品标准:
产品严格按照中国GB、HG 标准和美国API等标准设计、制造、验收。密封面硬度达到国家规定要求,宽度超过国家标准。
售前服务:
产品介绍,技术交流,非标产品设计,疑难解答。
售中服务:
守信合同,保证及时供货,随时保持与客户联系。 对特殊或复制的产品,我厂安排技术人员对用户进行产品使用、故障排除
售后服务:
1、“开云体育(中国)开云KaiYun SPORTS”牌产品品质期为自出厂起12个月,实行“三包”服务(包退、包换、保修)。
2、产品在使用中我厂定期组织技术、质检人员进行访问,征询用户对产品质量、 使用状况、改进意见等方面的反馈, 以便进一步提高产品质量。
3、对用户投诉质量问题,快速作出反应,售后服务人员在24-36小时(省外48小时)赶赴现场。
4、对售后服务,要求用户填写服务后的质量反馈信息表,并作出鉴定意见,以便提高开云体育(中国)开云KaiYun SPORTS的服务质量。
1、客户如对产品有特殊要求,须在订货合同中提供以下说明:
a、结构长度;
b、连接形式;
c、公称直径、全通径、缩径、管道尺寸;
d、运行介质及温度、压力范围;
e、试验、检验标准及其他要求
2、本厂可根据客户特定要求配置各类驱动装置。
3、如由客户提供确定的阀门类型和型号时,客户应正确说明其型号的含义和要求,在供需双方理解一致的条件下签订合同。
4、期货、订货的客户请先来电函详细告诉所需的阀门型号、规格、数量以及交货时间、地点,并按总的30%预定金或全额货款及时汇入我厂帐户,其余货款待发货前汇入,以便及时安排发货。
订单流程:
1、客户采购清单传真至,或来电咨询
2、收到客户采购清单,为客户提供阀门型号选型与报价(价格清单)。
3、具体商定:交货期、特殊要求等事宜。
订货须知:
1、客户如对产品有特殊要求,须在订货合同中提供以下说明:
|
|||||
|
|||||
2、本厂可根据客户特定要求配置各类驱动装置。
|
|||||
3、如由客户提供确定的阀门类型和型号时,客户应正确说明其型号的含义和要求,在供需双方理解一致的条件下签订合同。
|
|||||
4、期货、订货的客户请先来电函详细告诉所需的阀门型号、规格、数量以及交货时间、地点,并按总的30%预定金或全额货款及时汇入我厂账户, 其余货款待发货前汇入,以便及时安排发货。
|
售中服务:
守信合同,保证及时供货,随时保持与客户联系。
对特殊或复制的产品,我厂安排技术人员对用户进行产品使用、故障排除
售后服务:
1、“开云体育(中国)开云KaiYun SPORTS”产品品质期为自出厂起12个月,实行“三包”服务(包退、包换、保修)。
2、产品在使用中我厂定期组织技术、质检人员进行访问,征询用户对产品质量、使用状况、改进意见等方面的反馈,
以便进一步提高产品质量。
3、对用户投诉质量问题,快速作出反应,售后服务人员在24-36小时(省外48小时)赶赴现场。
4、对售后服务,要求用户填写服务后的质量反馈信息表,并作出鉴定意见,以便提高“开云体育(中国)开云KaiYun SPORTS”的服务质量。
声明 |
|